HƯỚNG DẪN SỬ DỤNG PA LĂNG XÍCH ĐIỆN KENBO
1. Trước khi sử dụng pa lăng xích điện Kenbo KKBB
1.1. Thông tin an toàn
- Nguy hiểm luôn tiềm ẩn khi vận chuyển tải nặng, đặc biệt là khi thiết bị không được sử dụng đúng cách hoặc bảo trì kém. Vì có thể xảy ra tai nạn và thương tích nghiêm trọng, các biện pháp phòng ngừa an toàn đặc biệt được áp dụng cho việc vận hành, bảo trì và kiểm tra pa lăng xích điện.
- Tuân theo các quy tắc đơn giản này có thể giúp tránh tai nạn khi vận hành máy.
CẢNH BÁO: Sử dụng pa lăng xích điện KENBO KKBB không đúng cách có thể dẫn đến tử vong hoặc thương tích nghiêm trọng. Để tránh những mối nguy hiểm này:
NGƯỜI VẬN HÀNH
- Người vận hành pa lăng xích điện KENBO KKBB phải là người đã đọc qua bản hướng dẫn này và đã được đào tạo về an toàn và vận hành pa lăng.
- Đảm bảo về sức khỏe.
- Được trang bị đầy đủ bảo hộ lao động như giày, mũ, kính, găng tay...
VỀ LẮP ĐẶT
- Pa lăng phải được treo lên khung dầm, cầu trục, cổng trục, giá đỡ... đảm bảo song song với mặt đât và có khả năng chịu tải của cả pa lăng và hàng hóa.
- Sau khi treo pa lăng, đảm bảo móc treo đã được đóng, tránh móc bị tuột khi đang vận hành, gây nguy hiểm.
- Không gian lắp đặt phải đủ rộng, loại bỏ chướng ngại vật.
- Điện áp nơi lắp đặt phải ổn định, không giao động quá 10% so với điện áp quy định của nhà sản xuất.
- Độ ẩm không vượt quá 90%.
- Nhiệt độ nơi lắp đặt giao động từ -10°C đến 40°C.
- Nếu lắp đặt ngoài trời, phải có biện pháp che chắn, tránh để máy tiếp xúc trực tiếp với nắng, mưa.
- Tuyệt đối không lắp đặt pa lăng trong môi trường axit, kiểm, dễ cháy, nổ hay có nhiều bụi bặm.
- Nối đất trước khi sử dụng.
VỀ SỬ DỤNG
- Luôn đọc hướng dẫn sử dụng và vận hành an toàn trước khi sử dụng. - Vị trí đứng khi vận hành pa lăng phải đảm bảo vững chắc, an toàn. - Không sử dụng pa lăng để nâng, hạ, vận chuyển người (H1).
- Nâng hạ đúng tải trọng cho phép (H2).
- Không đứng cạnh hoặc làm việc gần và dưới khu vực pa lăng đang nâng hạ (H3).
- Không sử dụng pa lăng mà không có bảng tên, tem nhãn, tem cảnh báo hoặc có nhưng không đọc được.
- Đảm bảo phanh hoạt động tốt trước khi sử dụng.
- Vật tải phải được móc vuông góc vào tâm móc cẩu. Đảm bảo chốt an toàn đã được đóng trước khi nâng, hạ hàng hóa.
- Không xếp tải trước khi bắt đầu nâng.
- Thông báo cho những người xung quanh biết khi sắp bắt đầu nâng (H4).
- Không treo lơ lửng tải khi pa lăng xích điện không hoạt động và không có sự giám sát, tránh trượt tải gây tai nạn.
- Trong khi nâng hạ, tuyệt đối không kéo, rung lắc xích tải, làm lệch hướng kéo (H5).
- Không sử dụng công tắc hành trình, ly hợp thường xuyên, bởi các chi tiết này chỉ sử dụng trong trường hợp khẩn cấp.
- Không vận hành pa lăng khi trục trặc như bị kẹt xích, trượt xích, có tiếng kêu bất thường... (H6).
- Tuyệt đối không sử dụng pa lăng bị hư hỏng dưới bất kỳ hình thức nào. Thay vào đó, cần liên hệ với nhà cung cấp, nhà sản xuất hoặc người có đủ năng lực để khắc phục sự cố rồi mới tiếp tục sử dụng.
- Không được tự ý sửa chữa pa lăng khi chưa có sự đồng ý từ nhà cung cấp và nhà sản xuất.
- Không cố kéo dài xích tải. Luôn đảm bảo rằng chiều dài xích tải đủ dài cho công việc dự định.
- Không tự hàn xích bởi công nghệ hàn thông thường không đảm bảo an toàn.
- Có thể thay xích theo yêu cầu, tuy nhiên phải đảm bảo an toàn. Đồng thời việc thay xích này phải do hãng hoặc đại lý phân phối chính thức của hãng thực hiện.
- Dòng pa lăng xích điện KENBO KKBB, khi thay xích nâng cao trong 20m vẫn đạt đúng tải trọng thực tế của máy.
- Không sử dụng pa lăng khi xích tải bị xoắn, gấp khúc hoặc bị kéo căng (H7).
- Không buộc, cuộn xích sau khi sử dụng. Tốt nhất nên để xích và móc cẩu thẳng tự nhiên và cách mặt đất ít nhất 2m, tránh va đập vào người phía dưới.
- Luôn kiểm tra palăng, các chốt móc có hoạt động bình thường hay không trước và sau khi sử dụng.
- Người kiểm tra pa lăng định kỳ là người có đủ thẩm quyền (Tham khảo Phần 5).
- Luôn sử dụng phụ tùng, phụ kiện được khuyến nghị của nhà sản xuất khi sửa chữa pa lăng.
- Đảm bảo tắt nguồn điện hoàn toàn trước khi sửa chữa, bảo dưỡng (H8).
- Bôi trơn pa lăng thường xuyên với loại dầu chỉ định từ nhà sản xuất (H9)

- Hãy nhớ rằng kỹ thuật lắp đặt và nâng hạ đúng cách là trách nhiện của người vận hành.
- Chắc chắn rằng bạn đã đọc và hiểu các hướng dẫn có trong sách hướng dẫn này trước khi sử dụng thiết bị.
- Kiểm tra tất cả các mã an toàn hiện hành, quy định và các luật hiện hành khác để biết thêm thông tin về cách sử dụng an toàn.
1.2. Thông tin kích thước và số kỹ thuật
PA LĂNG XÍCH ĐIỆN KENBO KKBB DI CHUYỂN




2. CHUẨN BỊ VÀ KIỂM TRA TRƯỚC KHI SỬ DỤNG
Trước khi sử dụng pa lăng xích điện KENBO KKBBB bạn cần chuẩn bị và kiểm tra 5
hạng mục sau:
TRA DẦU CHO HỘP SỐ
- Việc sử dụng pa lăng mà không đủ dầu hộp số có thể gây ra những hư hỏng nghiêm
- trọng cho cơ cấu ly hợp và xích của pa lăng. Từ đó làm hư hỏng pa lăng. Vì thế,tuyệt đối không sử dụng palăng xích mà không có đủ dầu.
- Thay dầu bôi trơn định kỳ 3 tháng/lần hoặc 500 giờ sử dụng tuỳ theo điều kiện nào đến trước.
Quy trình thay dầu hộp số:
- B1: Trước khi tra thêm dầu vào hộp số, cần xả toàn bộ dầu cũ còn thừa trong hộp số bằng cách vặn nút xả và để dầu chảy ra.
- B2: Sau đó đóng nắp xả và tra dầu tại vị trí (1).
- B3: Kiểm tra mức dầu tại vị trí thăm dầu sao cho mức dầu ko vượt quá lỗ thăm dầu

CẢNH BÁO:
- Nếu không sử dụng đúng loại và lượng dầu cho hộp số mà KENBO khuyến cáo, có thể không cho phép hoạt động hết công suất của ly hợp ma sát tích hợp, gây giảm tải. Vì thế, phải LUÔN LUÔN sử dụng đúng loại và lượng dầu KENBO chỉ định.
- Để tránh rò rỉ dầu, phải đảm bảo đã vặn chặt nút xả.
- Nếu pa lăng hoạt động ngoài trời, vui lòng thêm nắp bảo vệ
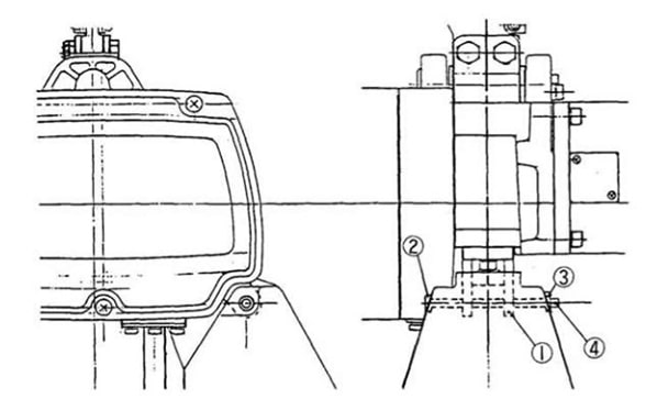
LẮP TÚI ĐỰNG XÍCH
Túi đựng xích chứa xích tải của bên không tải. Khi lắp túi đựng xích vào pa lăng, phải cố định thật chặt và chú ý những điểm sau:
- Vặn chặt bu lông và đai ốc.
- Đảm bảo xích tải của phía bên không tải được chứa đúng cách trong túi chứa xích và được gập lại đúng cách.
- Không để xích trong túi chứa xích vượt quá chiều dài quy định của hộp chứa.

Quy trình lắp:
- B1: Gắn túi chứa xích vào thanh dẫn xích (1) bằng bu lông (2) và đai ốc chữ U (3).
- B2: Gắn đai ốc tách (4) để ngăn đai ốc U (3) bị rơi. Uốn các đầu chốt 90 độ trở lên.
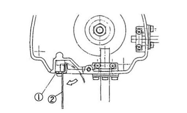
>>> GẮN NÚT NHẤN VÀ DÂY CUỘN TRÒN
Trong khi dây có nút nhấn đang được nối với thân pa lăng, dây giảm độ căng có thể chưa được nối. Sau khi kết nối dây có nút nhấn, hãy nhớ gắn đầu dây giảm độ căng vào thân pa lăng.
CẢNH BÁO:
- Có thẻ xảy ra đoản mạch và điện giật nếu kéo dây có nút nhấn khi dây giảm độ căng không được kết nối với thân pa lăng.
- Luôn đảm bảo dây giảm độ căng được gắn đúng vào thân pa lăng.
Quy trình lắp đặt:

Móc dây giảm căng (2) vào giá đỡ cáp L (1) của thân pa lăng xích điện
CẢNH BÁO:
- Để tránh làm hỏng dây cuộn tròn, hãy cố định dây đã cuộn tròn vào hộp chứa xích bằng dây cố định.
- Để tránh mài mòn giữa xích tải và thanh dẫn xích, hãy nắn thẳng xích tải trước khi lắp dây cuộn tròn vào hộp chứa xích.
- Để tránh làm hỏng dây cuộn tròn, hãy gắn hộp chứa xích sao cho kẹp dây buộc hướng lên trên
>>> BÔI TRƠN XÍCH TẢI
CẢNH BÁO:
Bôi trơn xích là một yếu tố quan trọng giúp nâng cao tuổi thọ xích. Vì thế, việc làm này cần được tiến hành thường xuyên theo định kỳ.
Quy trình bôi trơn xích:
- B1: Treo xích thẳng đứng theo điều kiện không tải.
- B2: Làm sạch và lau khô xích.
- B3: Tra dầu bôi trơn quanh phần pu ly, mắt xích tiếp xúc với nhau.
- B4: Sau khi bôi trơn xong, cần cho máy nâng, hạ để chất bôi trơn được trải đều.
>>> KẾT NỐI NGUỒN
- Dây nguồn tiêu chuẩn thường được sử dụng để kết nối nguồn điện cho pa lăng xích điện KENBO KKBB là loại 2 mm2 X 5 m (3 ruột dẫn).
- Khi nguồn điện ở xa, dây dẫn cần có đường kính tối thiểu như bảng sau:
| Đường kính dây dẫn (diện tích mặt cắt ngang của dây dẫn) (mm2) |
Chiều dài tối đa của dây dẫn (m) |
|
2.2 |
30 |
|
1.25 |
15 |
CẢNH BÁO:
- Luôn nối đất cho pa lăng xích điện KKBB trước khi sử dụng.
- Tuyệt đối không nối đất pa lăng xích điện với ống dẫn khí đốt vì có thể gây cháy nổ.
- Ngoài nối đất, cần trang bị cầu dao chống rò rỉ điện.
- Điện áp nguồn điện thực tế không được vượt quá mức cho phép. Cụ thể:
|
Điện áp nguồn điện thực tế (V) |
Điện áp cho phép tối đa (V) |
|
110 |
121 |
|
115 |
126 |
|
120 |
132 |
|
220 |
242 |
|
230 |
253 |
|
240 |
264 |
3. LẮP ĐẶT CON CHẠY
Đối với pa lăng KENBO KKBB cố định, người dùng chỉ cần treo máy lên ray dầm là sử dụng được ngay. Nhưng khi lắp đặt pa lăng cao cấp KENBO KKBB di chuyển, bạn cần thực hiện 2 thao tác sau:
>>> LẮP PA LĂNG VỚI CỤM DI CHUYỂN
B1: Lắp đệm điều chỉnh:
Lắp các miếng đệm điều chỉnh với con chạy. Có tổng cộng 32 miếng đệm. Số lượng miếng đệm nhiều hay ít tùy thuộc vào chiều rộng ray dầm. Như hình minh họa (H10), gắn các miếng đệm sao cho kích thước A = kích thước B (chiều rộng ray) + 3 mm.

Tham khảo bảng sau:
|
Chiều rộng ray
|
Mặt trong của con chạy |
Mặt ngoài của con chạy |
|
|
50 |
|
Trái/phải mỗi bên
|
Trái/phải mỗi bên
|
|
68 |
Thép H |
Trái/phải mỗi bên
|
Trái/phải mỗi bên
|
|
Thép I |
|||
|
98 |
Thép H |
Trái/phải mỗi bên
|
Trái/phải mỗi bên
|
|
100 |
Thép I |
||
CẢNH BÁO:
Số lượng miếng đệm điểm chỉnh không chính xác có thể khiến con chạy không di chuyển được hoặc bị rơi.
B2: Lắp bu lông.
Đặt con chạy sao cho trục bánh xe vuông góc với đường ray. Lắp bu lông, đai ốc và đai chữ U (hệ thống đai ốc đôi), điều chỉnh khe hở từ 2mm trở xuống giữa lỗ chốt và đai ốc bằng 2 miếng đệm điều chỉnh. Sau đó siết chặt chúng và vặn chặt chốt tách vào bu lông.
CẢNH BÁO:
Để tránh rơi con chạy, hãy vặn chặt bu lông, đai ốc và đai ốc U. Chèn chốt tách và uốn cong các đầu của nó 900 trở lên.
>>> LẮP CON CHẠY VÀO RAY DẦM
CẢNH BÁO:
- Đối với tất cả các pa lăng xích điện dùng con chạy, các thanh chặn ray phải được lắp đặt ở mỗi đầu của thanh ray. Việc không lắp đặt các thanh chặn ray sẽ làm cho pa lăng và con chạy rơi khỏi đầu ray, gây tai nạn hoặc thiệt hại về tài sản. Các điểm dừng phải được bố trí sao cho không tạo lực tác động lên khung pa lăng xích điện hoặc con chạy. Chúng phải tiếp xíc với các đầu của khung bên trong con chạy.
- Các thanh chặn ray nên được gắn với miếng đệm để giảm bớt lực tác động của con chạy.
- Kích thước khung dầm cũng phải phù hợp với pa lăng, nếu không cũng không thể lắp được.
4. VẬN HÀNH
Sau khi hoàn thành xong các công đoạn chuẩn bị, kiểm tra trước khi sử dụng và lắp đặt thì pa lăng đã sẵn sàng hoạt động.
CẢNH BÁO:
- Trong trường hợp pa lăng đang nâng lên hạ xuống ở điều kiện có tải, tránh điều chỉnh pa lăng hoạt động ngược lại một cách đột ngột trước khi động cơ dừng hoàn toàn. Nếu không sẽ làm hư hỏng pa lăng.
- Tránh đóng - ngắt nhanh lặp đi lặp lại quá nhiều lần vì có thể làm hỏng pa lăng

CẢNH BÁO:
Không cố kéo tay điều khiển quá giới hạn dây nguồn vì có thể làm ngắt kết nối với nguồn điện, gây đoản mạch trong thân pa lăng hay thậm chí là gây điện giật cho người vận hành


Hình ảnh Pa lăng xích điện di chuyển Kenbo 1 tấn 6m KKBB01-01 380V






Thông số kỹ thuật
|
Mô tả sản phẩm |
Pa lăng xích điện di chuyển |
|
Xuất xứ |
Trung Quốc |
|
Công nghệ |
Nhật Bản |
|
Hãng sản xuất |
Kenbo |
|
Đơn vị nhập khẩu |
Hòa Phát |
|
Model |
KKBB01-01 |
|
Tải trọng |
1 tấn |
|
Tốc độ nâng hạ |
6.8 mét/phút |
|
Tốc độ di chuyển |
11/21 mét/phút |
|
Chiều cao nâng hạ |
6 mét |
|
Đường kính xích |
7.1 |
|
Số đường xích |
1 |
|
Điện áp sử dụng |
380V- 3 Phase |
|
Động cơ nâng |
Điện áp: 380V |
|
Công suất: 1.5KW |
|
|
Tần số: 50/60HZ |
|
|
Tốc độ vòng quay: 1440 vòng/phút |
|
|
Động cơ di chuyển |
Điện áp: 380V |
|
Công suất: 0.4 KW |
|
|
Tần số: 50/60HZ |
|
|
Tốc độ vòng quay: 1440 vòng/phút |
|
|
Độ rộng dầm I |
68-130 mm |
|
Bảo hành |
06 tháng |
